- 商品名稱:Speakman洗眼器|復合式洗眼器_Speakman復合式洗眼器SE-690-PVC
- 商品編號:0B105042
- 品牌:SPEAKMAN
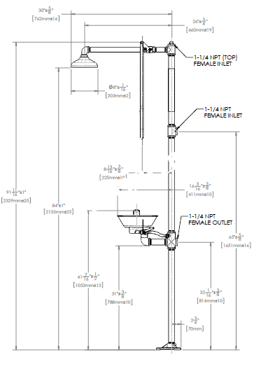
組合式淋浴洗眼器,配備SE-490 洗眼/ 洗面器,帶防塵蓋的雙噴淋嘴和不銹鋼水盆,烤漆鍍鋅鋼管立柱,由醒目黃色拉桿控制的葉輪式雨瀑淋浴頭。
產品特點:
1、充氣水洗眼:
舒波曼產品使用充氣水具有兩個重要益處。
第一,充氣水對眼睛是非常柔和舒適的。要洗凈眼中的污染物,需要沖洗15分鐘。柔和的充氣水可以使用戶比較容易地持續沖洗眼睛。
第二,充氣水中的氣泡有助于水流平穩地流過眼球,還可以迅速有效地帶走眼睛表面的污染物。2、葉輪式安全淋浴頭:
舒波曼安全淋浴頭內具有獨特的葉輪設計,水在葉輪的作用下旋轉著從淋浴頭中噴出,不僅從上至下沖洗用戶身體,而且旋轉水流在離心作用下可以從不同角度噴濺到用戶身上,從而達到迅速、徹底的洗刷效果。3、醒目的黃色:
舒波曼產品的緊急啟動裝置和緊急出水口均以醒
目的黃色部件清晰標明。4、粉體烤漆表層:
舒波曼的鋼質淋浴柱、托架等均采用粉體烤漆表
層,其外觀干凈、美觀,且經久耐用。5、符合規定的溫水:
美國有關安全產品的一項新規定要求安全洗眼器或安全淋浴器必須使用溫水,溫度一般設定在攝氏18至34度之間。舒波曼生產的一系列溫控閥可以安裝在所有產品上,使其符合美國的有關規定。6、美國工廠互相保險公司認證的電伴熱產品:
舒波曼是唯一一家獲得美國工廠互相保險公司整體電伴熱淋浴系統認證的制造商。7、獨有的制造復合型二合一產品的能力是其他競爭對手所不具備的。這些二合一產品既可以作為普通衛浴龍頭使用,也可以作為安全設備使用。這些產品具有低成本、通用安裝和節省空間的優勢。
---------------------------------------------------------------------------------------------
• 8-inch ABS plastic shower head
• Pull-rod activated shower.
• 20 GPM at 30 psi shower
• Galvanized steel, DuraJade
powder-coated stanchion.
• Integral 20 GPM flow restrictor
• Eyewash: 3.18 GPM @ 30 psi or
Eye/facewash: 4.5 GPM @ 30 psi
PRODUCT DESCRIPTION:
SE-690 SE-490 stainless steel bowl eye/facewash
SE-690-PVC SE-490 stainless steel bowl eye/facewash, PVC piping
SE-693 SE-582 aerated stainless steel bowl eyewash
SE-695 SE-495 plastic bowl eye/facewash
SE-697 SE-580 aerated plastic bowl eyewash
OPTIONS DESCRIPTION:
FPV Freeze protection valve
HFO Hand and foot operation
HS Addition of SE-920 hand held drench hose
SCSV Self-closing shower valve with chain and ring
SPR Stainless steel pull rod
SPV Scald protection valve
SSBV1 Substituting in a 1 inch IPS stainless steel ball valve
SSBV2 Substituting a 1/2 inch IPS stainless steel ball valve
SSH Substitution of stainless steel shower head for standard
用戶評論(共0條評論)
- 暫時還沒有任何用戶評論


