- 商品名稱:Speakman洗眼器|洗眼龍頭_Speakman感應式水龍頭洗眼器SEF-1814/1815/1816/1824/1825/1826
- 商品編號:0B102019
- 品牌:SPEAKMAN
特征:
·采用獨特的單柱設計,將洗眼器和水龍頭結合在一體。通過傳感器控制水龍頭冷熱出水,洗眼器通過拉桿控制出水,同時滿足水龍頭和洗眼功能。
·氣泡水洗眼:產品使用氣泡水,柔和沖擊力小,要洗凈眼中的污染物,ANSI標準推薦沖洗15分鐘,柔和的氣泡水使用戶更容易地持續沖洗眼睛;氣泡有助于水流平穩地流過眼球, 迅速有效地帶走眼睛表面的污染物。
洗眼器
·噴淋頭: 帶有防塵蓋黃色塑料氣泡水噴頭
·啟動裝置: 黑色拉桿
·進水:1/2" 外螺紋
·性能:2.1公斤力/平方厘米壓力,流量9.8升/分鐘
·標準:符合美國ANSI Z358.1認證
水龍頭
·進水:3/8“ 外螺紋
·啟動裝置:交流供電的傳感器控制
·性能:流量8.3 升/分鐘
·表面處理:鍍鉻
·材料:觸水部分均為無鉛銅
·標準:ASME A112.18.1, CSA B125.1-------------------------------------------------------------------------------------------
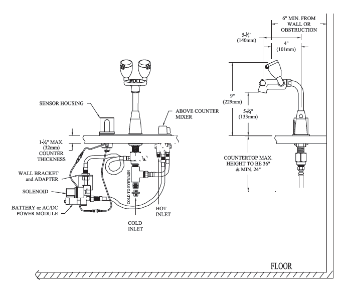
The patented Eyesaver SensorFlo is equipped with dual spray heads,two independent water supplies, a fully functional faucet, 8-inch deck plate, and an above-counter mixer for faucet.
PRODUCT # DESCRIPTION:
SEF-1814 8 in. deck plate gooseneck faucet with above counter mixing valve. Battery powered.
SEF-1815 8 in. deck plate gooseneck faucet with under-counter mixing valve and manual override. Battery powered.
SEF-1816 8 in. deck plate gooseneck faucet with thermostatic mixing valve and manual override. Battery powered.
SEF-1824 8 in. deck plate gooseneck faucet with above counter mixing valve. AC/DC operated.
SEF-1825 8 in. deck plate gooseneck faucet with under-counter mixing valve and manual override. AC/DC operated.
SEF-1826 8 in. deck plate gooseneck faucet. thermostatic mixing valve and manual override, AC/DC operated.
OPTIONS DESCRIPTION:
8 8 in. deep gooseneck rigid or swivel
BO 0.5 GPM vandal-resistant flow control outlet
LF 2.2 GPM laminar flow for faucet outlet
NA Soft flow eyewash spray outlets
ST Serrated tip with vacuum breaker
TW Thermostatic mixing valve for eyewash
用戶評論(共0條評論)
- 暫時還沒有任何用戶評論


